Product Summary
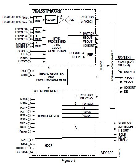
The AD9880KSTZ-150 is an Analog Device. The AD9880KSTZ-150 offers designers the flexibility of an analog interface and high definition multimedia interface (HDMI) receiver inte-grated on a single chip. Also included is support for high band-width digital content protection (HDCP). Analog Interface The AD9880KSTZ-150 is a complete 8-bit 150 MSPS monolithic analog inter-face optimized for capturing component video (YPbPr) and RGB graphics signals. Its 150 MSPS encode rate capability and full power analog bandwidth of 330 MHz supports all HDTV formats (up to 1080 p) and FPD resolutions up to SXGA (1280 × 1024 @ 75 Hz). The analog interface includes a 150 MHz triple ADC with internal 1.25 V reference, a phase-locked loop (PLL), and programmable gain, offset, and clamp control. The user provides only 1.8 V and 3.3 V power supplies, analog input, and Hsync.
Parametrics
AD9880KSTZ-150 absolute maximum ratings: (1)VD: 3.6 V; (2)VDD: 3.6 V; (3)DVDD: 1.98 V; (4)PVDD: 1.98 V; (5)Analog Inputs: VD to 0.0 V; (6)Digital Inputs: 5 V to 0.0 V; (7)Digital Output Current: 20 mA; (8)Operating Temperature: -25℃ to + 85℃; (9)Storage Temperature: -65℃ to + 150℃; (10)Maximum Junction Temperature: 150℃; (11)Maximum Case Temperature: 150℃.
Features
AD9880KSTZ-150 features: (1)Analog/HDMI dual interface; (2)Supports high bandwidth digital content protection; (3)RGB-to-YCbCr 2-way color conversion; (4)Automated clamping level adjustment; (5)1.8 V/3.3 V power supply; (6)100-lead LQFP Pb-free package; (7)RGB and YCbCr output formats; (8)Analog interface: 8-bit triple ADC 100 MSPS maximum conversion rate Macrovision detection 2:1 input mux Full sync processing Sync detect for hot plugging Midscale clamping; (9)Digital video interface: HDMI v 1.1, DVI v 1.0 150 MHz HDMI receiver Supports high bandwidth digital content protection (HDCP 1.1); (10)Digital audio interface: HDMI 1.1-compatible audio interface S/PDIF (IEC90658-compatible) digital audio output ultichannel I2S audio output (up to 8 channels).
Diagrams
 
| Image | Part No | Mfg | Description | ![]()  | 
                            Pricing (USD)  | 
                            Quantity | ||||||||||||||||
|---|---|---|---|---|---|---|---|---|---|---|---|---|---|---|---|---|---|---|---|---|---|---|
![]()  | 
                            ![]() AD9880KSTZ-150  | 
                            ![]()  | 
                            ![]() IC INTERFACE/HDMI 150MHZ 100LQFP  | 
                            ![]() Data Sheet  | 
                            ![]() 
  | 
                            
                            	 | 
                      ||||||||||||||||
| Image | Part No | Mfg | Description | ![]()  | 
                            Pricing (USD)  | 
                            Quantity | ||||||||||||||||
![]()  | 
                            ![]() AD9801  | 
                            ![]() Other  | 
                            ![]()  | 
                            ![]() Data Sheet  | 
                            ![]() Negotiable  | 
                            
                            	 | 
                      ||||||||||||||||
![]()  | 
                            ![]() AD9802  | 
                            ![]() Other  | 
                            ![]()  | 
                            ![]() Data Sheet  | 
                            ![]() Negotiable  | 
                            
                            	 | 
                      ||||||||||||||||
![]()  | 
                            ![]() AD9803  | 
                            ![]() Other  | 
                            ![]()  | 
                            ![]() Data Sheet  | 
                            ![]() Negotiable  | 
                            
                            	 | 
                      ||||||||||||||||
![]()  | 
                            ![]() AD9804  | 
                            ![]() Other  | 
                            ![]()  | 
                            ![]() Data Sheet  | 
                            ![]() Negotiable  | 
                            
                            	 | 
                      ||||||||||||||||
![]()  | 
                            ![]() AD9804AJST  | 
                            ![]() Analog Devices Inc  | 
                            ![]() IC CCD SIGNAL PROC 10BIT 48-LQFP  | 
                            ![]() Data Sheet  | 
                            ![]() Negotiable  | 
                            
                            	 | 
                      ||||||||||||||||
![]()  | 
                            ![]() AD9804AJSTRL  | 
                            ![]() Analog Devices Inc  | 
                            ![]() IC CCD SIGNAL PROC 10BIT 48-LQFP  | 
                            ![]() Data Sheet  | 
                            ![]() Negotiable  | 
                            
                            	 | 
                      ||||||||||||||||
 (China (Mainland)) 
                         
                        
                                    








