Product Summary
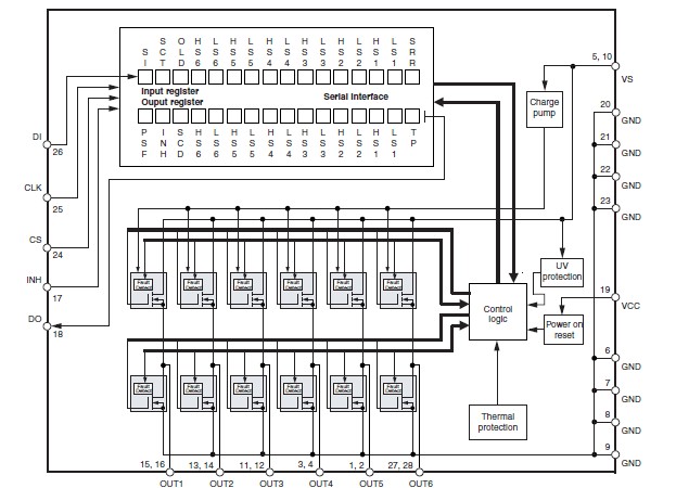
The ATA6836C is a fully protected hex half-bridge driver designed in Smart Power SOI technology, used to control up to six different loads by a microcontroller in automotive and industrial applications. Automotive qualification referring to conducted interferences, EMC protection and ESD protection gives added value and enhanced quality for the exacting requirements of automotive applications.
Parametrics
ATA6836C absolute maximum ratings: (1)Supply voltage 5, 10 3, 4 VVS: –0.3 to +40 V; (2)Supply voltage t < 0.5s; IS > –2A 5, 10 3, 4 VVS: –1 V; (3)Logic supply voltage 19 14 VVCC: –0.3 to +7 V; (4)Logic input voltage 24-26 17-19 VDI, VCLK, VCS: –0.3 to VVCC +0.3 V; (5)Logic output voltage 18 13 VDO: –0.3 to VVCC +0.3 V; (6)Input current 17, 24-26 12, 17-19 IINH, IDI, ICLK, ICS: –10 to +10 mA; (7)Output current 18 13 IDO: –10 to +10 mA; (8)Junction temperature range Tj: –40 to +150 °C; (9)Storage temperature range TSTG: –55 to +150 °C.
Features
ATA6836C features: (1)Six Half-bridge Outputs Formed by Six High-side and Six Low-side Drivers; (2)Capable of Switching all Kinds of Loads (Such as DC Motors, Bulbs, Resistors, Capacitors and Inductors); (3)RDSon Typically 1.0Ω at 25°C, Maximum 1.8Ω at 150°C; (4)Up to 650-mA Output Current; (5)Very Low Quiescent Current IS < 20μA in Standby Mode; (6)Outputs Short-circuit Protected; (7)Overtemperature Prewarning and Protection; (8)Undervoltage Protection; (9)Various Diagnosis Functions Such as Shorted Output, Open Load, Overtemperature and Power Supply Fail; (10)Serial Data Interface; (11)Operation Voltage up to 40V; (12)Daisy Chaining Possible; (13)Serial Interface 5V Compatible, up to 2MHz Clock Frequency; (14)SO28 or QFN24 Power Package.
Diagrams
| Image | Part No | Mfg | Description | ![]() |
Pricing (USD) |
Quantity | ||||||||||||
|---|---|---|---|---|---|---|---|---|---|---|---|---|---|---|---|---|---|---|
![]() |
![]() ATA6836C-PXQW |
![]() Atmel |
![]() Power Driver ICs 650mA Hex Half Bridge Driver |
![]() Data Sheet |
![]() Negotiable |
|
||||||||||||
![]() |
![]() ATA6836C-PXQW 19 |
![]() |
![]() IC DVR HEX HALF BRIDGE 24QFN |
![]() Data Sheet |
![]()
|
|
||||||||||||
![]() |
![]() ATA6836C-PXQW19 |
![]() Atmel |
![]() Power Driver ICs 650mA Hex Half Bridge Driver |
![]() Data Sheet |
![]()
|
|
||||||||||||
![]() |
![]() ATA6836C-TIQY |
![]() Atmel |
![]() Power Driver ICs Hex Half Bridge Driver |
![]() Data Sheet |
![]()
|
|
||||||||||||
(China (Mainland))










