Product Summary
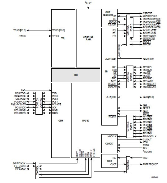
The MC68332ACFC25, a highly-integrated 32-bit microcontroller, combines high-performance data manipulation capabilities with powerful peripheral subsystems. The MC68332ACFC25 is built up from standard modules that interface through a common intermodule bus (IMB). Standardization facilitates rapid development of devices tailored for specific applications. The MC68332ACFC25 incorporates a 32-bit CPU (CPU32), a system integration module (SIM), a time processor unit (TPU), a queued serial module (QSM), and a 2-Kbyte static RAM module with TPU emulation capability (TPURAM). The MC68332ACFC25 can either synthesize an internal clock signal from an external reference or use an external clock input directly. Operation with a 32.768-kHz reference frequency is standard. The maximum system clock speed is 20.97 MHz. System hardware and software allow changes in clock rate during operation. Because MCU operation is fully static, register and memory contents are not affected by clock rate changes.
Parametrics
MC68332ACFC25 specifications: (1)RAM Size: 2K x 8; (2)Number of I /O: 15; (3)Package / Case: 132-BQFP Bumpered; (4)Speed: 25MHz; (5)Oscillator Type: Internal; (6)Packaging: Tray; (7)Program Memory Type: ROMless; (8)Core Processor: CPU32; (9)Core Size: 32-Bit; (10)Operating Temperature: -40℃ ~ 85℃; (11)Connectivity: EBI/EMI, SCI, SPI, UART/USART; (12)Peripherals: POR, PWM, WDT ; (13)Voltage - Supply (Vcc/Vdd): 4.5 V ~ 5.5 V; (14)Lead Free Status: Contains Lead.
Features
MC68332ACFC25 features: (1)Central Processing Unit (CPU32): 32-Bit Architecture; Virtual Memory Implementation; Table Lookup and Interpolate Instruction; Improved Exception Handling for Controller Applications; High-Level Language Support; Background Debugging Mode; Fully Static Operation; (2)System Integration Module (SIM): External Bus Support; Programmable Chip-Select Outputs; System Protection Logic; Watchdog Timer, Clock Monitor, and Bus Monitor; Two 8-Bit Dual Function Input/Output Ports; One 7-Bit Dual Function Output Port; Phase-Locked Loop (PLL) Clock System; (3)Time Processor Unit (TPU): Dedicated Microengine Operating Independently of CPU32; 16 Independent, Programmable Channels and Pins; Any Channel can Perform any Time Function; Two Timer Count Registers with Programmable Prescalers; Selectable Channel Priority Levels; (4)Queued Serial Module (QSM): Enhanced Serial Communication Interface; Queued Serial Peripheral Interface; One 8-Bit Dual Function Port; (5)Static RAM Module with TPU Emulation Capability (TPURAM): 2-Kbytes of Static RAM; May be Used as Normal RAM or TPU Microcode Emulation RAM.
Diagrams
| Image | Part No | Mfg | Description | ![]() |
Pricing (USD) |
Quantity | ||||
|---|---|---|---|---|---|---|---|---|---|---|
![]() |
![]() MC68332ACFC25 |
![]() |
![]() IC MCU 32BIT 25MHZ 132-PQFP |
![]() Data Sheet |
![]() Negotiable |
|
||||
| Image | Part No | Mfg | Description | ![]() |
Pricing (USD) |
Quantity | ||||
![]() |
![]() MC6800 |
![]() Other |
![]() |
![]() Data Sheet |
![]() Negotiable |
|
||||
![]() |
![]() MC6801 |
![]() Other |
![]() |
![]() Data Sheet |
![]() Negotiable |
|
||||
![]() |
![]() MC68020 |
![]() Other |
![]() |
![]() Data Sheet |
![]() Negotiable |
|
||||
![]() |
![]() MC68020CEH16E |
![]() Freescale Semiconductor |
![]() Microprocessors (MPU) 32-BIT MPU |
![]() Data Sheet |
![]() Negotiable |
|
||||
![]() |
![]() MC68020CEH25E |
![]() Freescale Semiconductor |
![]() Microprocessors (MPU) 32-BIT MPU |
![]() Data Sheet |
![]() Negotiable |
|
||||
![]() |
![]() MC68020CRC16E |
![]() Freescale Semiconductor |
![]() Microprocessors (MPU) 32-BIT MPU |
![]() Data Sheet |
![]() Negotiable |
|
||||
(China (Mainland))










