Product Summary
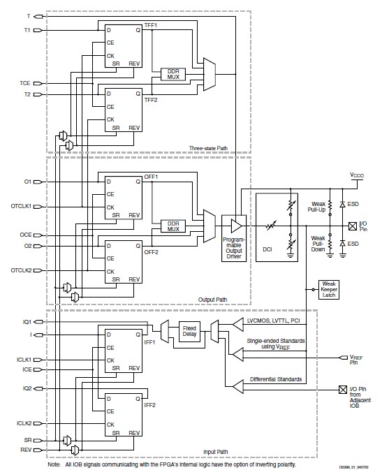
The XC3S400A-4FTG256C is a Field-Programmable Gate Array specifically designed to meet the needs of high volume, cost-sensitive consumer electronic applications. The XC3S400AN-5FGG400C offers densities ranging from 50,000 to five million system gates. The XC3S400A-4FTG256C builds on the success of the earlier Spartan-IIE family by increasing the amount of logic resources, the capacity of internal RAM, the total number of I/Os, and the overall level of performance as well as by improving clock management functions. Numerous enhancements derive from state-of-the-art Virtex.-II technology. The XC3S400A-4FTG256C enhancements, combined with advanced process technology, delivers more functionality and bandwidth per dollar than was previously possible, setting new standards in the programmable logic industry.
Parametrics
XC3S400A-4FTG256C absolute maximum ratings: (1)VCCINT Internal supply voltage: –0.5 to 1.32 V; (2)VCCAUX Auxiliary supply voltage: –0.5 to 3.00 V; (3)VCCO Output driver supply voltage: –0.5 to 3.75 V; (4)VREF Input reference voltage: –0.5 VCCO+0.5 V; (5)TJ Junction temperature VCCO < 3.0V: - 125 ℃; (6)VCCO > 3.0V - 105 ℃; (7)TSOL Soldering temperature: - 220 ℃; (8)TSTG Storage temperature: –65 150 ℃.
Features
XC3S400A-4FTG256C features: (1)Revolutionary 90-nanometer process technology; (2)Very low cost, high-performance logic solution for high-volume, consumer-oriented applications; (3)Eight global clock lines and abundant routing; (4)Fully supported by Xilinx ISE development system. Synthesis, mapping, placement and routing; (5)MicroBlaze processor, PCI, and other cores; (6)Digital Clock Manager (up to four DCMs); (7)Select RAM. hierarchical memory.
Diagrams
| Image | Part No | Mfg | Description | ![]() |
Pricing (USD) |
Quantity | ||||||||||
|---|---|---|---|---|---|---|---|---|---|---|---|---|---|---|---|---|
![]() |
![]() XC3S400A-4FTG256C |
![]() |
![]() IC SPARTAN-3A FPGA 400K 256FTBGA |
![]() Data Sheet |
![]()
|
|
||||||||||
| Image | Part No | Mfg | Description | ![]() |
Pricing (USD) |
Quantity | ||||||||||
![]() |
![]() XC3S1000 |
![]() Other |
![]() |
![]() Data Sheet |
![]() Negotiable |
|
||||||||||
![]() |
![]() XC3S1000-4FG456I |
![]() |
![]() IC FPGA SPARTAN 3 456FBGA |
![]() Data Sheet |
![]()
|
|
||||||||||
![]() |
![]() XC3S1000-4FG676I |
![]() |
![]() IC FPGA SPARTAN 3 676FBGA |
![]() Data Sheet |
![]()
|
|
||||||||||
![]() |
![]() XC3S1000-4FGG320C |
![]() |
![]() SPARTAN-3A FPGA 1M STD 320-FBGA |
![]() Data Sheet |
![]()
|
|
||||||||||
![]() |
![]() XC3S1000-4FGG320I |
![]() |
![]() IC SPARTAN-3A FPGA 1M 320-FBGA |
![]() Data Sheet |
![]()
|
|
||||||||||
![]() |
![]() XC3S1000-4FGG456C |
![]() |
![]() IC SPARTAN-3 FPGA 1M 456-FBGA |
![]() Data Sheet |
![]()
|
|
||||||||||
(China (Mainland))










