Product Summary
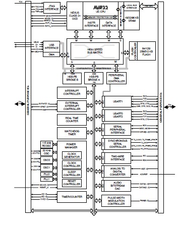
The AT32UC3B0512-U is a complete System-On-Chip microcontroller based on the AVR32 UC RISC processor running at frequencies up to 60 MHz. The AT32UC3B0512-U is a high-performance 32-bit RISC microprocessor core, designed for cost-sensitive embedded applications, with particular emphasis on low power consumption, high code density and high performance. The AT32UC3B0512-U integrates a class 2+ Nexus 2.0 On-Chip Debug (OCD) System, with non-intrusive real-time trace, full-speed read/write memory access in addition to basic runtime control. The Nanotrace interface enables trace feature for JTAG-based debuggers.
Parametrics
AT32UC3B0512-U absolute maximum ratings: (1)Operating Temperature: -40°C to +85°C; (2)Storage Temperature : -60°C to +150°C; (3)Voltage on GPIO Pins with respect to Ground for TCK, RESET_N, PA03, PA04, PA05, PA06, PA07, PA08, PA11, PA12, PA18, PA19, PA28, PA29, PA30, PA31: -0.3 to 3.6V; (4)Voltage on GPIO Pins with respect to Ground except for TCK, RESET_N, PA03, PA04, PA05, PA06, PA07, PA08, PA11, PA12, PA18, PA19, PA28, PA29, PA30, PA31 : -0.3 to 5.5V; (5)Maximum Operating Voltage (VDDCORE, VDDPLL): 1.95V; (6)Maximum Operating Voltage (VDDIO,VDDIN,VDDANA): 3.6V; (7)Total DC Output Current on all I/O Pin for 48-pin package : 200 mA, for 64-pin package : 265 mA.
Features
AT32UC3B0512-U features: (1)High Performance, Low Power AVR®32 UC 32-Bit Microcontroller; (2)Multi-hierarchy Bus System; (3)Internal High-Speed Flash; (4)Internal High-Speed SRAM, Single-Cycle Access at Full Speed; (5)Interrupt Controller; (6)System Functions; (7)Universal Serial Bus (USB); (8)One Three-Channel 16-bit Timer/Counter (TC); (9)One 7-Channel 20-bit Pulse Width Modulation Controller (PWM); (10)Three Universal Synchronous/Asynchronous Receiver/Transmitters (USART); (11)One Master/Slave Serial Peripheral Interfaces (SPI)with Chip Select Signals; (12)One Synchronous Serial Protocol Controller; (13)One Master/Slave Two-Wire Interface (TWI), 400kbit/s I2C-compatible; (14)One 8-channel 10-bit Analog-To-Digital Converter, 384ks/s; (15)16-bit Stereo Audio Bitstream DAC; (16)QTouch® Library Support.
Diagrams
(China (Mainland))






