Product Summary
The EPM3512AFC256-7 is a programmable logic device.
Parametrics
EPM3512AFC256-7 absolute maximum ratings: (1)VCC, Supply voltage: 4.6V; (2)VI, DC input voltage: 5.75V; (3)IOUT, DC output current, per pin: 25mA; (4)TSTG, storage temperature: -65 to 150℃; (5)TA, Ambient temperature: -65 to 135℃; (6)TJ, junction temperature: 135℃.
Features
EPM3512AFC256-7 features: (1)High-performance, low-cost CMOS EEPROM-based programmable; (2)3.3V in-system programmability through the built-in IEEE std. interface with advanced pin-locking capability; (3)High-density PLDs ranging from 600 to 10000 usable gates; (4)MultivoltTM I/O interface enabling the device core to run at 3.3V; (5)Hot-socketing support.
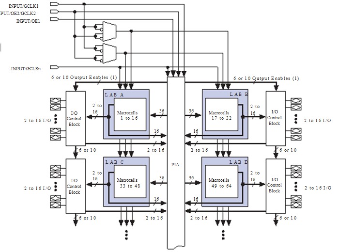
Diagrams
 
 (China (Mainland)) 
                         
                        
                                    




