Product Summary
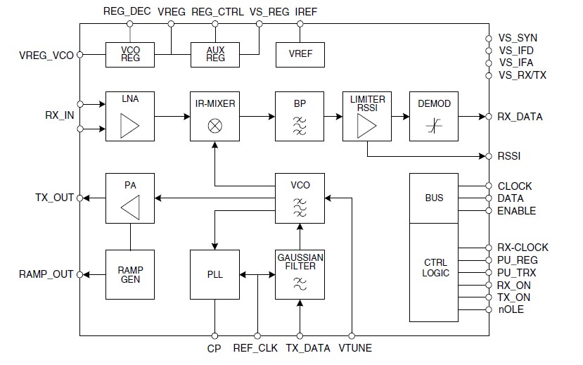
The ATR2406 is a single chip RF-transceiver intended for applications in the 2.4 GHz ISM band. The ATR2406 is a complete transceiver including image rejection mixer, low IF filter, FM demodulator, RSSI, TX preamplifier, power-ramping generator for external power amplifier, integrated synthesizer, and a fully integrated VCO and TX filter. No mechanical adjustment is necessary in production. The ATR2406 offers a clock recovery function on-chip. Applications are (1)hightech multi-user toys; (2)wireless game controllers; (3)telemetry; (4)wireless audio/video; (5)electronic point of sales; (6)wireless head set; (7)FCC CFR47, Part 15, ETSI EN 300 328 and ARIB STD-T-66 compliant radio links.
Parametrics
ATR2406 absolute maximum ratings: (1)Supply voltage auxiliary regulator VS: -0.3 to +4.7 V; (2)Supply voltage VS: -0.3 to +3.6 V; (3)Control voltages Vcontr: -0.3 to VS V; (4)Storage temperature Tstg: -40 to +125 °C; (5)Input RF level PRF: +10 dBm.
Features
ATR2406 features: (1)Fully Integrated Low IF Receiver; (2)Fully Integrated GFSK Modulator for 72, 144, 288, 576 and 1152 kBit/s; (3)High Sensitivity of Typically -93 dBm Due to Integrated LNA; (4)High Output Power of Typically +4 dBm; (5)Multi-channel Operation; (6)Supply-voltage Range 2.9 V to 3.6 V (Unregulated); (7)Auxiliary-voltage Regulator on Chip (3.2 V to 4.6 V); (8)Low Current Consumption; (9)Few Low Cost External Components; (10)Integrated Ramp-signal Generator and Power Control for an Additional Power Amplifier; (11)Low Profile Lead-free Plastic Package QFN32 (5 × 5 × 0.9 mm).
Diagrams
| Image | Part No | Mfg | Description | ![]() |
Pricing (USD) |
Quantity | ||||||
|---|---|---|---|---|---|---|---|---|---|---|---|---|
![]() |
![]() ATR2406 |
![]() Other |
![]() |
![]() Data Sheet |
![]() Negotiable |
|
||||||
![]() |
![]() ATR2406-DEV-BOARD |
![]() Atmel |
![]() RF Development Tools COM-RADIO MODULE ISM 2.4GHZ TRX |
![]() Data Sheet |
![]()
|
|
||||||
![]() |
![]() ATR2406-DEV-BOARD2 |
![]() Atmel |
![]() RF Development Tools COM-EVAL BOARD ATR2406+T7024 |
![]() Data Sheet |
![]()
|
|
||||||
![]() |
![]() ATR2406-DEV-KIT2 |
![]() Atmel |
![]() RF Development Tools COM-EVAL KIT ATR2406+ATmega88 |
![]() Data Sheet |
![]()
|
|
||||||
![]() |
![]() ATR2406-PNQG 86 |
![]() |
![]() IC IF ISM TXRX 2.4GHZ 32QFN |
![]() Data Sheet |
![]()
|
|
||||||
![]() |
![]() ATR2406-DEV-KIT |
![]() Atmel |
![]() KIT EVALUATION FOR ATR2406 |
![]() Data Sheet |
![]()
|
|
||||||
![]() |
![]() ATR2406-PNQG86 |
![]() Atmel |
![]() RF Transceiver COM.ISM-SMART RF 2.4GHZ ISM TRX |
![]() Data Sheet |
![]()
|
|
||||||
![]() |
![]() ATR2406-PNSG |
![]() |
![]() IC IF ISM TXRX 2.4GHZ 32QFN |
![]() Data Sheet |
![]() Negotiable |
|
||||||
(China (Mainland))















